服務熱線
LibreVNA 開源 USB 矢量網絡分析儀 (VNA) 工作頻率范圍為 100kHz 至 6GHz
Jan K?berich 的 LibreVNA 是一款開源硬件 USB 矢量網絡分析儀 (VNA),基于 Spartan-6 FPGA、STM32 微控制器以及采用 MAX2871 和 Si5351C 芯片的 RF 電路。 該開源 VNA 支持兩個通道,工作頻率范圍為 100kHz 至 6GHz。

矢量網絡分析儀是昂貴的電子測試設備,用于測量高頻電氣網絡的幅度和相位,價值數千美元。 它們通常用于射頻 (RF) 和微波工程應用。 去年,我們曾報道過 Pico Technology 發布了適用于 Linux、Raspberry Pi 和 macOS 的 PicoVNA 5 軟件,而不僅僅是為其商業 PicoVNA 設備提供 Windows 程序。 我認為即使它是閉源的,它也已經是一個很好的開發,但 LibreVNA 一直采用開源硬件設計,硬件設計文件、FPGA 代碼、STM32 固件和 PC 軟件(GUI)全部開源。

LivreVNA 硬件規格:
- FPGA – Spartan6 FPGA 處理與 RF 模塊的通信并對 ADC 進行采樣。
- MCU – STM32G431 微控制器處理 FPGA 中的掃描設置、提取和預處理測量結果,并通過 USB 傳輸它們。
- 存儲——用于 FPGA 比特流的閃存。 微控制器還可以訪問閃存,因此不需要 FPGA 相關的硬件工具(例如 JTAG 編程器),所有內容都可以通過 USB 更新
- 時鐘源
-
- Skyworks Si5351C 時鐘發生器提供所有所需的時鐘,并用作低于 25MHz 頻率的激勵源。 其參考時鐘可以是 26MHz 晶體,也可以是外部 10MHz 信號。
- Analog Device MAX2871 是頻率高于 25MHz 的激勵源,其輸出信號經過輕微濾波以減少諧波數量,并可通過數字衰減器 (RFSA3714) 在約 -42 至 -10dbm 之間調節。
- 經過TR37A73放大器后,信號被分路
-
- 其較弱的部分被饋送到參考接收器。
- 信號的較強部分可以路由到任一端口,每個端口都有 2 個串聯使用的 RF 開關,以在端口之間實現更高的隔離。
- 兩個端口都具有完全獨立的接收路徑,可同時測量兩個參數(S11 和 S21 或 S22 和 S12)。
- 每個接收器由兩個下變頻混頻器組成。 1.IF 的頻率為 60MHz,2.IF 的頻率為 250kHz。
- ADC 以 16 位 @ 800kHz 對最終 IF 進行采樣。
- 電源 – 通過 USB-C 端口提供 5V 電源或外部 5V 直流電源

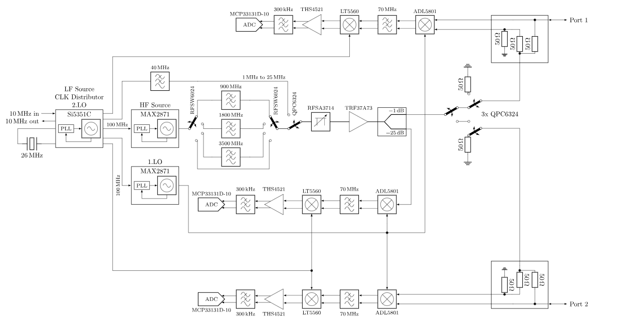
系統框圖
Jan 解釋說,LibreVNA PCB 只是一個 RF 前端,具有一定的處理能力,用于捕獲數據并通過 USB 將其發送到主機。 實際的數據處理是在 LibreVNA-GUI PC 應用程序中完成的,其中包含適用于 Windows、Ubuntu、macOS 甚至 Raspberry Pi 5 的預構建二進制文件。這意味著您可以在不需要 PCB 導入示例測量值的情況下進行嘗試。
我在 Ubuntu 22.04 筆記本電腦上嘗試過,安裝一些額外的依賴項后,程序可以啟動。
sudo apt install libqt6widgets6 libqt6svg6 libqt6network6 qt6-waylandunzip LibreVNA-GUI-Ubuntu-v1.5.0.zip ./LibreVNA
它還可以用作信號發生器或頻譜分析儀。 RF 工程師可能會發現該解決方案很有趣,并且可以訪問所有資源來開始使用或在 GitHub 上構建自己的解決方案。 該項目并不是全新的,因此可以在亞馬遜或 Aliexpress 上以 500 美元左右的價格購買硬件以及外殼和配件。





粵公網安備44030002007346號